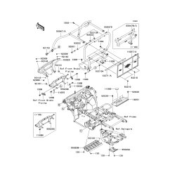
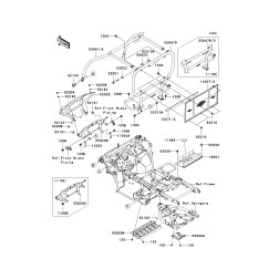
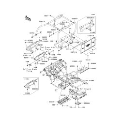
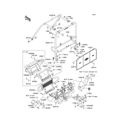
OEM Ersatzteile
x

Kawaski Weihnachtsdeko - mach dein Zuhause

bereit für die grüne Weihnachtszeit!

Weihnachtsartikel