Artikelname: UNTERLEGSCHEIBE (WASHER,THROTTLE STOP SCREW)
Hersteller: Kawasaki
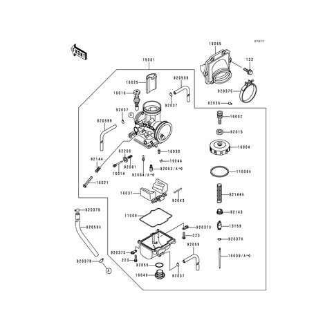
OEM Nummer: 92200-1121 (922001121)
Kategorien: Vergaser
1992
KDX250 (KDX250-E2)
1991
KDX250 (KDX250-E1)
Kawasaki Motors Europe N.V. Niederlassung Deutschland
Max-Planck-Strasse 26
61381 Friedrichsdorf
Telefon: (0 61 72) 7 34 - 0
Telefax: (0 61 72) 7 34 - 1 60
Email: info@Kawasaki.de