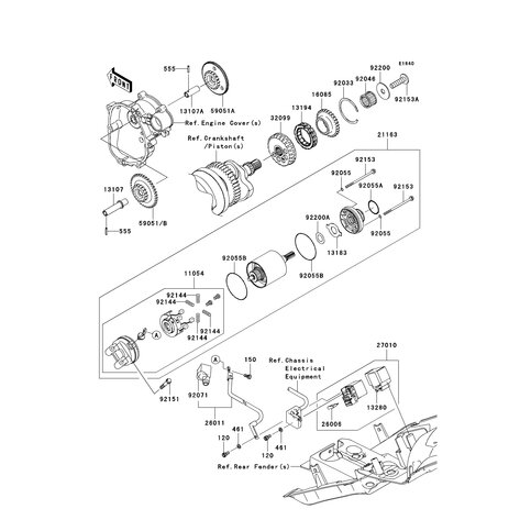
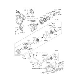
Artikelname: TORX SCHRAUBE,10X38 (BOLT,TORX,10X38)
Hersteller: Kawasaki
OEM Nummer: 92153-1521 (921531521)
Kategorien: Anlasser
2021
NINJA ZX-6R (ZX636GMFAN)
NINJA ZX-6R (ZX636GMFNN)
2020
NINJA ZX-6R (ZX636GLF)
NINJA ZX-6R (ZX636GLFA)
2019
NINJA ZX-6R (ZX636GKF)
NINJA ZX-6R (ZX636GKFA)
2017
NINJA ZX-6R ABS (ZX636FHF)
2016
NINJA ZX-6R (ZX600RGF)
NINJA ZX-6R (ZX636EGF)
NINJA ZX-6R (ZX636EGFA)
NINJA ZX-6R ABS (ZX636FGF)
NINJA ZX-6R ABS (ZX636FGFA)
2015
NINJA ZX-6R (ZX600RFF)
NINJA ZX-6R (ZX636EFF)
NINJA ZX-6R (ZX636EFFA)
NINJA ZX-6R ABS (ZX636FFF)
NINJA ZX-6R ABS (ZX636FFFA)
2014
NINJA ZX-6R (ZX600REF)
NINJA ZX-6R (ZX636EEF)
NINJA ZX-6R ABS (ZX636FEF)
2013
NINJA ZX-6R (ZX600RDF)
NINJA ZX-6R (ZX636EDF)
NINJA ZX-6R ABS (ZX636FDF)
2012
NINJA ZX-6R (ZX600RCF)
2011
NINJA ZX-6R (ZX600RBF)
2010
NINJA ZX-6R (ZX600RAF)
NINJA ZX-10R (ZX1000FAF)
2009
NINJA ZX-6R (ZX600R9F)
NINJA ZX-10R (ZX1000E9F)
2008
NINJA ZX-6R (ZX600P8F)
NINJA ZX-10R (ZX1000E8F)
2007
NINJA ZX-6R (ZX600P7F)
NINJA ZX-10R (ZX1000D7F)
2006
NINJA ZX-10R (ZX1000D6F)
Kawasaki Motors Europe N.V. Niederlassung Deutschland
Max-Planck-Strasse 26
61381 Friedrichsdorf
Telefon: (0 61 72) 7 34 - 0
Telefax: (0 61 72) 7 34 - 1 60
Email: info@Kawasaki.de