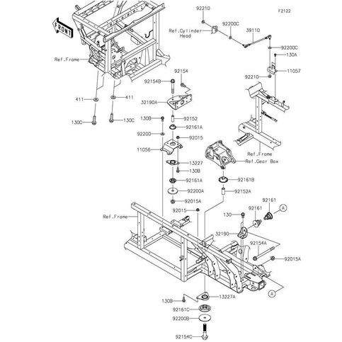
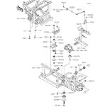
Artikelname: BUND,13X19.1X54 (COLLAR,13X19.1X54)
Hersteller: Kawasaki
OEM Nummer: 92152-1802 (921521802)
Kategorien: Motorhalterung
2023
MULE PRO-DXT (KDT1000BPFNN)
2022
MULE PRO-DXT (KDT1000BNFNN)
MULE PRO-DXT (KDT1000BNSNN)
MULE PRO-DX (KDF1000ANFNN)
MULE PRO-DX (KDF1000ANSNN)
2021
MULE PRO-DX (KAF1000EMFNN)
MULE PRO-DXT (KAF1000BMFNN)
2020
MULE PRO-DX (KAF1000ELF)
MULE PRO-DXT (KAF1000BLF)
2019
MULE PRO-DX (KAF1000EKF)
MULE PRO-DXT (KAF1000BKF)
2018
MULE PRO-DX (KAF1000EJF)
MULE PRO-DXT (KAF1000BJF)
2017
MULE PRO-DX (KAF1000EHF)
MULE PRO-DXT (KAF1000BHF)
2016
MULE PRO-DX (KAF1000EGF)
MULE PRO-DXT (KAF1000BGF)
Kawasaki Motors Europe N.V. Niederlassung Deutschland
Max-Planck-Strasse 26
61381 Friedrichsdorf
Telefon: (0 61 72) 7 34 - 0
Telefax: (0 61 72) 7 34 - 1 60
Email: info@Kawasaki.de