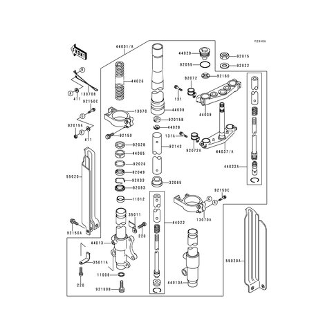
Artikelname: BEFESTIGUNGSBAND (BAND)
Hersteller: Kawasaki
OEM Nummer: 92072-1278 (920721278)
Kategorien: Gabel
1999
KDX125SR (KDX125-B6)
1993
KDX125SR (KDX125-A4)
KDX125SR (KDX125-B4)
1992
KDX125SR (KDX125-A3)
KDX125SR (KDX125-B3)
1991
KDX125SR (KDX125-A2)
KDX125SR (KDX125-B2)
Kawasaki Motors Europe N.V. Niederlassung Deutschland
Max-Planck-Strasse 26
61381 Friedrichsdorf
Telefon: (0 61 72) 7 34 - 0
Telefax: (0 61 72) 7 34 - 1 60
Email: info@Kawasaki.de