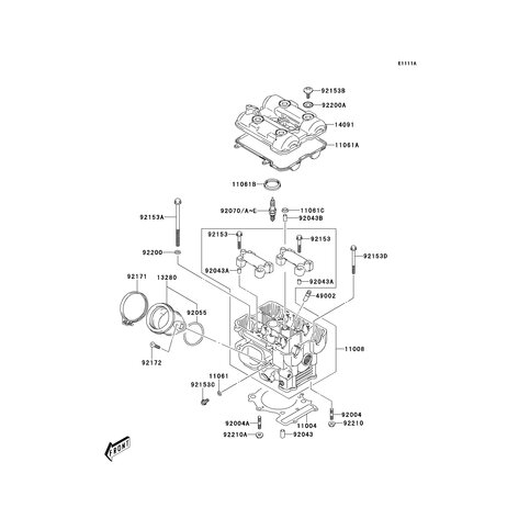
Artikelname: U31ETR (DENSO SPARKPLUG) (PLUG-SPARK,U31ETR (OPTION))
Hersteller: Kawasaki
OEM Nummer: 92070-S027 (92070S027)
Kategorien: Zylinderkopf
2005
KLV1000 (LV1000-A2H)
2004
KLV1000 (LV1000-A1H)
Kawasaki Motors Europe N.V. Niederlassung Deutschland
Max-Planck-Strasse 26
61381 Friedrichsdorf
Telefon: (0 61 72) 7 34 - 0
Telefax: (0 61 72) 7 34 - 1 60
Email: info@Kawasaki.de