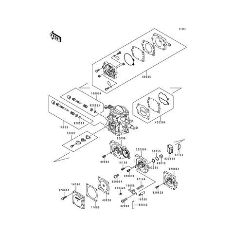
Artikelname: HAUPTDÜSE,#95 (JET-MAIN,#95)
Hersteller: Kawasaki
OEM Nummer: 92063-3716 (920633716)
Kategorien: Vergaser
1998
JET SKI 900 STX (JT900-A2)
Kawasaki Motors Europe N.V. Niederlassung Deutschland
Max-Planck-Strasse 26
61381 Friedrichsdorf
Telefon: (0 61 72) 7 34 - 0
Telefax: (0 61 72) 7 34 - 1 60
Email: info@Kawasaki.de