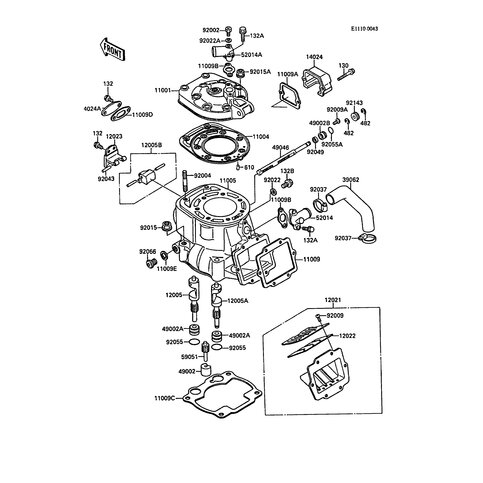
Artikelname: VENTILFUEHRUNG (GUIDE-VALVE)
Hersteller: Kawasaki
OEM Nummer: 49002-1085 (490021085)
Kategorien: Zylinderkopf
1990
KX250 (KX250-H1)
1989
KX250 (KX250-G1)
1988
KX250 (KX250-F1)
Kawasaki Motors Europe N.V. Niederlassung Deutschland
Max-Planck-Strasse 26
61381 Friedrichsdorf
Telefon: (0 61 72) 7 34 - 0
Telefax: (0 61 72) 7 34 - 1 60
Email: info@Kawasaki.de