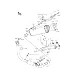
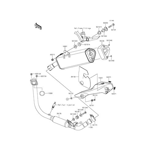
Artikelname: PAD (PAD)
Hersteller: Kawasaki
OEM Nummer: 39156-1748 (391561748)
Kategorien: Auspuff
Kawasaki Motors Europe N.V. Niederlassung Deutschland
Max-Planck-Strasse 26
61381 Friedrichsdorf
Telefon: (0 61 72) 7 34 - 0
Telefax: (0 61 72) 7 34 - 1 60
Email: info@Kawasaki.de