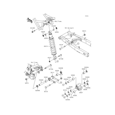
Artikelname: UMLENKHEBEL (ARM-SUSP)
Hersteller: Kawasaki
OEM Nummer: 39007-0392 (390070392)
Kategorien: Federung
2016
D-TRACKER (KLX150HGF)
Kawasaki Motors Europe N.V. Niederlassung Deutschland
Max-Planck-Strasse 26
61381 Friedrichsdorf
Telefon: (0 61 72) 7 34 - 0
Telefax: (0 61 72) 7 34 - 1 60
Email: info@Kawasaki.de