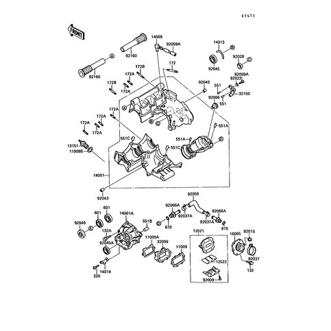
Artikelname: CASE,VALVE (CASE,VALVE)
Hersteller: Kawasaki
OEM Nummer: 32099-1112 (320991112)
Kategorien: Gehäuse
1991
KR-1S (KR250-C3)
1990
KR-1S (KR250-C2)
1989
KR-1 (KR250-B2)
Kawasaki Motors Europe N.V. Niederlassung Deutschland
Max-Planck-Strasse 26
61381 Friedrichsdorf
Telefon: (0 61 72) 7 34 - 0
Telefax: (0 61 72) 7 34 - 1 60
Email: info@Kawasaki.de