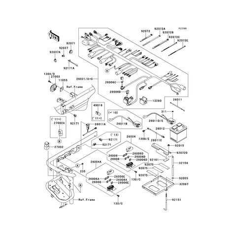
Artikelname: BATTERIEKABEL(-) (WIRE-LEAD,BATTERY(-))
Hersteller: Kawasaki
OEM Nummer: 26011-0223 (260110223)
Kategorien: Elektrik
2013
MULE 4010 DIESEL 4X4 (KAF950FDF)
2012
MULE 4010 DIESEL 4X4 (KAF950FCF)
2011
MULE 4010 DIESEL 4X4 (KAF950FBF)
2010
MULE 4010 DIESEL 4X4 (KAF950FAF)
2009
MULE 4010 DIESEL 4X4 (KAF950F9F)
Kawasaki Motors Europe N.V. Niederlassung Deutschland
Max-Planck-Strasse 26
61381 Friedrichsdorf
Telefon: (0 61 72) 7 34 - 0
Telefax: (0 61 72) 7 34 - 1 60
Email: info@Kawasaki.de