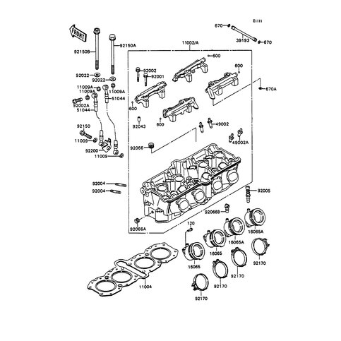
Artikelname: VERGASER-HALTER (HOLDER-CARBURETOR,#1)
Hersteller: Kawasaki
OEM Nummer: 16065-1215 (160651215)
Kategorien: Zylinderkopf
1990
ZXR750 (ZX750-H2)
Kawasaki Motors Europe N.V. Niederlassung Deutschland
Max-Planck-Strasse 26
61381 Friedrichsdorf
Telefon: (0 61 72) 7 34 - 0
Telefax: (0 61 72) 7 34 - 1 60
Email: info@Kawasaki.de