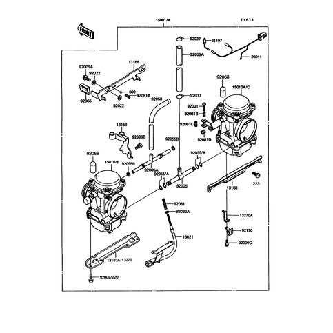
Artikelname: CARBURETOR,RH (CARBURETOR,RH)
Hersteller: Kawasaki
OEM Nummer: 15010-1440 (150101440)
Kategorien: Vergaser
1993
GPZ305 BELT DRIVE (EX305-B9)
Kawasaki Motors Europe N.V. Niederlassung Deutschland
Max-Planck-Strasse 26
61381 Friedrichsdorf
Telefon: (0 61 72) 7 34 - 0
Telefax: (0 61 72) 7 34 - 1 60
Email: info@Kawasaki.de