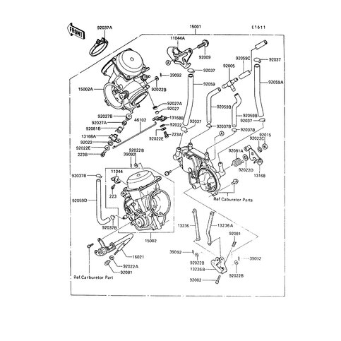
Artikelname: VERGASER,HINTER (CARBURETOR,RR)
Hersteller: Kawasaki
OEM Nummer: 15002-1844 (150021844)
Kategorien: Vergaser
1994
VN750 TWIN (VN750-A10)
1993
VN750 TWIN (VN750-A9)
Kawasaki Motors Europe N.V. Niederlassung Deutschland
Max-Planck-Strasse 26
61381 Friedrichsdorf
Telefon: (0 61 72) 7 34 - 0
Telefax: (0 61 72) 7 34 - 1 60
Email: info@Kawasaki.de