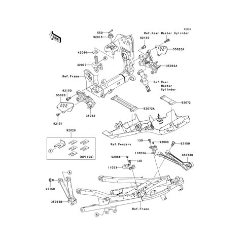
Artikelname: BUEGEL (BRACKET,HELMET HOOK)
Hersteller: Kawasaki
OEM Nummer: 11053-0741 (110530741)
Kategorien: Rahmen
2005
NINJA ZX-10R (ZX1000-C2H)
2004
NINJA ZX-10R (ZX1000-C1H)
Kawasaki Motors Europe N.V. Niederlassung Deutschland
Max-Planck-Strasse 26
61381 Friedrichsdorf
Telefon: (0 61 72) 7 34 - 0
Telefax: (0 61 72) 7 34 - 1 60
Email: info@Kawasaki.de